启东恒发润滑设备有限公司,欢迎广大新老客户来电来函咨询访问! 今天是:
干油润滑部分
稀油润滑部分
油气润滑部分
管接头管夹部分
SAE法兰部分
 
JPQ-K(ZP)系列递进式分配器(16MPa)

一、概述
JPQ-K系列(原ZP型)递进分配器适用于公称压力为16MPa的单线递进式干油集中润滑系统中,把润滑脂定量地分配到各个润滑点。



二、技术参数  
型号
公称压力Mpa
每出油口额定给油量ml/循环
启动压力Mpa
组合片数
出油口数
原型号
※ JPQ1-K ※
ZP-A
16
0.07 0.1 0.2 0.3
≤1
3-12
6-24
※ JPQ2-K ※
ZP-B
0.5 1.2 2.0
※ JPQ3-K ※
ZP-C
0.07 0.1 0.2 0.3
4-8
6-14
※ JPQ4-K ※
ZP-D
0.5 1.2 2.0
使用介质为锥入度不小于265(25℃,150g)1/10mm润滑脂或粘度等级大于N68的润滑油。适用环境温度-20~80℃。
 
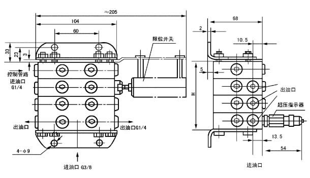
三、外形尺寸
出油口个数
6
8
10
12
14
16
18
20
22
24
片数
3
4
5
6
7
8
9
10
11
12
H mm
48
64
80
96
112
128
144
160
176
192
重量kg
0.91
1.2
1.5
1.7
2.0
2.3
2.5
2.8
3.1
3.3
 
出油口个数
6
8
10
12
14
16
18
20
22
24
片数
3
4
5
6
7
8
9
10
11
12
H mm
75
100
125
150
175
200
225
250
275
300
重量kg
3.5
4.5
5.5
6.5
7.5
8.5
9.5
10.5
11.5
12.5
 
出油口个数
8
10
12
14
16
片数
4
5
6
7
8
H mm
100
125
150
175
200
重量kg
4.5
5.5
6.5
7.5
8.5
 
四、型号说明
    
 
五、使用说明

1、分配器为单柱塞多片组合结构,每片有两个出油口,分为JPQ1、JPQ2、JPQ3 和JPQ4四种形式。
①每种形式的分配器,一般按额定给油量相等的单片组合,需要时也可将额定油量不同的单片混合组合。
② JPQ4型组合时需有一片控制片,此片无给油口。
③相邻的二个或二个以上的给油口可以合并成一个给油口给油,此给油口的给油量为所有被合并给油口的额定给油量之和。
2、JPQ1型和JPQ2型分配器在系统中串联使用,JPQ3型和JPQ4型分配器在系统中并联使用。
3、分配器均装有一个运动指示杆,用于观察分配器工作情况。根据需要还可以安装限位开关,对润滑系统进行控制和监视。
4、JPQ2型、JPQ4型分配器根据需要可以安装超压指示器。

六、订货须知
同种型式、额定给油量不同的单片混合组合或多个出油口合并给油,订货时须另行说明。

 
启东恒发润滑设备有限公司 地址:启东市汇龙镇工业园区跃龙路22号
电话:0513-83654611 83660611传真:0513-83654633 网址:www.qdhfrh.com E-mail:hf@qdhfrh.com