启东恒发润滑设备有限公司,欢迎广大新老客户来电来函咨询访问! 今天是:
干油润滑部分
稀油润滑部分
油气润滑部分
管接头管夹部分
SAE法兰部分
 
KJ、KM、KL系列单线递进式分配器(7~21MPa)

一、概述
KJ、KM、KL系列单线递进式分配器,适用于润滑点密集、耗脂量不同,给油频繁单线集中润滑系统中,组成子母式分配系统实现分区控制进行润滑的场合。
KJ、KM、KL系列单线递进式分配器,它由中碳合金结构钢制造的供给体、端部体和3~8片根据设计需要所确定的给油量和出油口数的中间体组合而成。分配器的正常出口设置于分配器的两侧面,在上面还设置有预备出口,各中间体的出油口内均装有止回阀,能彻底防止因润滑点背压作用而产生润滑脂的逆流,保证了各出油口的给油量定量、准确。


二、技术参数  
型式
KJ
活塞种类
5T
5S
10T
10S
15T
15S
10T
给油量ml/循环
0.082
0.164
0.164
0.328
0.246
0.492
0.164
出油口数
2
1
2
1
2
1
2
最高压力
14Mpa 7Mpa
型式
KM
活塞种类
10S
15T
15S
20T
20S
25T
25S
30T
30S
35T
35S
给油量ml/循环
0.328
0.246
0.492
0.328
0.656
0.413
0.820
0.492
0.984
0.574
1.148
出油口数
1
2
1
2
1
2
1
2
1
2
1
最高压力
21Mpa 10Mpa
型式
KL
活塞种类
25T
25S
50T
50S
75T
75S
100T
100S
125T
125S
150T
150S
给油量ml/循环
0.410
0.820
0.820
1.640
1.230
2.460
1.640
3.280
2.050
4.100
2.460
4.920
出油口数
2
1
2
1
2
1
2
1
2
1
2
1
最高压力
21Mpa 10Mpa
适用介质为锥入度不低于265(25℃,150g)1/10mm的润滑脂或粘度等级大于N120的润滑油:
适用环境温度为-10℃~80℃。
 
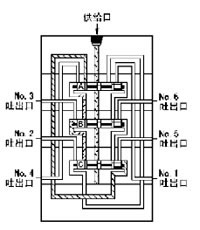
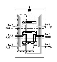
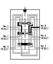
三、动作说明
1、通过润滑泵加压送出的润滑剂,经供给口流入按图示箭头方向分别推动活塞A、B、C 动作。此时活塞A、B左腔在油压的作用下处在右位不动,活塞C右腔进入压力,油开始向左移动。
2、流入的润滑剂推动活塞C向左移动,左腔的润滑剂压向NO.1吐出口经外部配管送向润滑点。当活塞C运动至左极限时活塞B右腔开始进入润滑剂。
3、流入的润滑剂推动活塞B向左移动,左腔的润滑剂压向NO.2吐出口经外部配管送向润滑点。当活塞B运动至左极限时活塞A 右腔开始进入润滑剂。
4、流入的润滑剂推动活塞A向左移动、左腔的润滑剂压向NO.3吐出口经外部配管送向润滑点。当活塞A运动至左极限时活塞C右腔开始进入润滑剂。
5、流入的润滑剂推动活塞C向右移动、右腔的润滑剂压向NO.4吐出口经外部配管送向润滑点。当活塞C运动至右极限时活塞B左腔开始进入润滑剂。
6、流入的润滑剂推动活塞B向右运动、右腔的润滑剂压向NO.5吐出口,经外部配管送向润滑点。当活塞B移动到至右极限时活塞A左腔开始进入润滑剂。
7、流入的润滑剂推动活塞A 向右运动、右腔的润滑剂压向NO.6吐出口,经外部配管送向润滑点。当活塞A移动到至右极限时返回到初始1状态,继续重复上述动作。
 
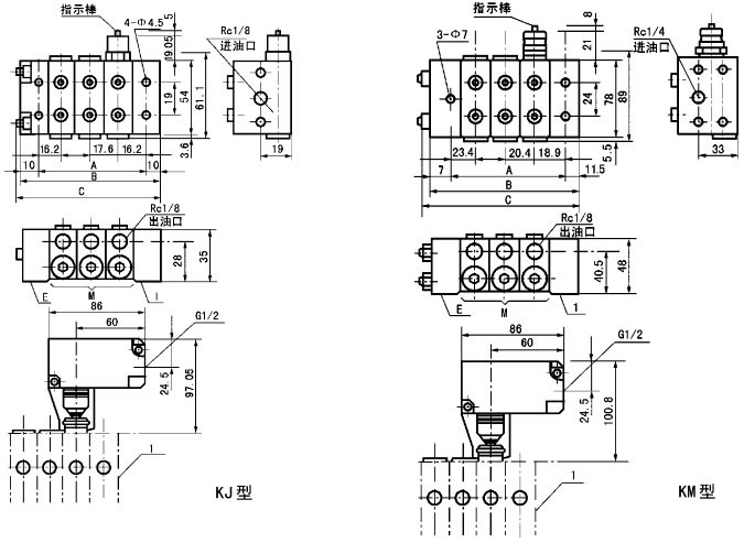
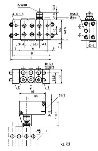
四、外形尺寸
    
KJ-*不带循环指示器和循环开关时尺寸参数表
形式
组合片数
A
B
C
供给口径
吐出口径
最大吐出口数
重量kg
L
M
E
KJ-3
1
3
1
67.6
87.6
91.1
Rc1/8
Rc1/8
6
1.3
KJ-4
1
4
1
85.2
105.2
108.7
8
1.5
KJ-5
1
5
1
102.8
122.8
126.3
10
1.8
KJ-6
1
6
1
120.4
140.4
143.9
12
2.0
KJ-7
1
7
1
138
158
161.5
14
2.3
KJ-8
1
8
1
155.6
175.6
179.1
16
2.5
 
KM-*不带循环指示器和循环开关时尺寸参数表
形式
组合片数
A
B
C
供给口径
吐出口径
最大吐出口数
重量kg
L
M
E
KM-3
1
3
1
83.1
101.1
112
Rc1/8
Rc1/8
6
2.9
KM-4
1
4
1
103.5
122
133
8
3.5
KM-5
1
5
1
123.9
142.4
153
10
4.0
KM-6
1
6
1
144.3
162.8
173
12
4.6
KM-7
1
7
1
164.7
183.2
194
14
5.2
KM-8
1
8
1
185.1
203.6
214
16
5.7
 
KL-*不带循环指示器和循环开关时尺寸参数表
形式
组合片数
A
B
C
供给口径
吐出口径
最大吐出口数
重量kg
L
M
E
KL-3
1
3
1
125.6
141.6
168
Rc3/8
Rc1/4
6
11.1
KL-4
1
4
1
154
170
196
8
13.3
KL-5
1
5
1
182.4
198.4
225
10
15.5
KL-6
1
6
1
210.8
226.8
253
12
17.7
KL-7
1
7
1
239.2
255.2
282
14
19.9
KL-8
1
8
1
267.6
283.6
310
16
22.1
 
五、型号说明
 
六、超压指示器
安装于分配器的预备出口,当润滑点或管路阻塞时,压力升高超过规定值时,指示器外部稍伸出。通过系统发出的故障信号,现场查找指示器有否伸出就可直接查到所阻塞的部位。
七、溢流指示器
安装于环境恶劣易发生阻塞部位的各分配器预备出口上,当润滑点或管路阻塞时,压力异常升高超过规定值时,分配器被阻塞点的所供脂从溢流口向外溢出,经查看溢流点即为被阻塞的故障点。
只适用于连续作业部位,不许影响其它分配器动作的场合。
吐出口标记说明:
T:为基本标准型,有二个出口分别从中
间体二侧出油。
S:只有一个出口(T 型二出口相通),油
量是T 型的二倍,左侧或右侧出油均可。
LC:没有左出口,从进油方向看左侧出口
与邻接的后一片出口合并油量。
RC:没有右出口,从进油方向看右侧出口
与邻接的后一片出口合并油量。
2C:没有出口,左右出口均与邻接的后一
片出口合并油量。
 
八、订货须知
订货时用完整的型号订购并提供联接示意图。
例:KM-3(15T+25T2C+30S)R
 
 
启东恒发润滑设备有限公司 地址:启东市汇龙镇工业园区跃龙路22号
电话:0513-83654611 83660611传真:0513-83654633 网址:www.qdhfrh.com E-mail:hf@qdhfrh.com