|
|
| |
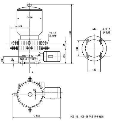
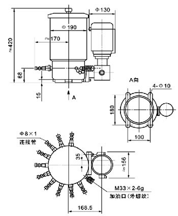
DDB系列多点干油泵(10MPa)
|
一、概述
DDB系列多点干油泵适用于润滑频率极低、润滑点不超过50点,公称压力为10MPa的多线干油集中润滑系统中。直接或通过单线片式给油器向各润滑点供送润滑脂的装置,特别适用于破碎机、锻压机床、码头行吊,印刷机等小型的单机设备。
|
|
|
二、技术参数
型号 |
公称压力MPa |
每口给油量ml/次 |
给油次数/min |
贮油器容积l |
电动机功率kW |
重量kg |
DDB-10 |
10 |
10 |
0-0.2 |
13 |
7 |
0.37 |
19 |
DDB-18 |
18 |
23 |
0.75 |
75 |
DDB-36 |
36 |
80 |
使用介质为锥入度不低于265(25℃,150g)1/10mm 的润滑脂(NLGI0#~2#)。工作环境温度0~40℃。 |
| |
| 三、 外形尺寸 |
|
|
| DDB-10多点干油泵 DDB-18、DDB-36多点干油泵 |
| |
| 四、型号标注说明 |
 |
| |
| 五、使用说明 |
1、该系列多点干油泵应安装在环境温度合适,灰尘少,便于补脂、调整、检查、维护保养等都方便的场合。
2、DDB系列多点干油泵使用前先向一级减速箱内加入HL-20 齿轮油至油标规定液面。
3、向干油泵贮油器内补脂必须使用SJB-D60型手动加油泵或DJB-200型电动加油泵从贮油器的加油口加入,注意在贮油器内无润滑脂时严禁启动电机运转。
4、按贮油桶壁上旋向牌规定的旋向进行电机接线,不得反转。
5、加油口的过滤网精度不低于0.2mm,应定期清洗。
6、干油泵应经常保持清洁,严禁揭盖补脂以免脏物进入泵体内,影响正常工作。 |
| |
|
|